Product Summary
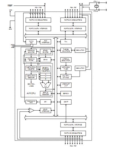
The ATMEGA8A-AU is a low-power CMOS 8-bit microcontroller based on the AVR RISC architecture. By executing powerful instructions in a single clock cycle, the ATMEGA8A-AU achieves throughputs approaching 1 MIPS per MHz, allowing the system designer to optimize power consumption versus processing speed. The ATMEGA8A-AU provides the following features: 8K bytes of In-System Programmable Flash with Read-While-Write capabilities, 512 bytes of EEPROM, 1K byte of SRAM, 23 general purpose I/O lines, 32 general purpose working registers, three flexible Timer/Counters with compare modes, internal and external interrupts, a serial programmable USART, a byte oriented Two-wire Serial Interface, a 6-channel ADC (eight channels in TQFP and QFN/MLF packages) with 10-bit accuracy, a programmable Watchdog Timer with Internal Oscillator, an SPI serial port, and five software selectable power saving modes. The ATMEGA8A-AU is manufactured using Atmel’s high density non-volatile memory technology.
Parametrics
ATMEGA8A-AU absolute maximum ratings: (1)Operating Temperature:-55℃ to +125℃; (2)Storage Temperature:-65℃ to +150℃; (3)Voltage on any Pin except RESET with respect to Ground:-0.5V to VCC+0.5V; (4)Voltage on RESET with respect to Ground:-0.5V to +13.0V; (5)Maximum Operating Voltage:6.0V; (6)DC Current per I/O Pin:40.0 mA; (7)DC Current VCC and GND Pins:300.0 mA.
Features
ATMEGA8A-AU features: (1)130 Powerful Instructions - Most Single-clock Cycle Execution; (2)32 x 8 General Purpose Working Registers; (3)Fully Static Operation; (4)Up to 16 MIPS Throughput at 16 MHz; (5)On-chip 2-cycle Multiplier; (6)Two 8-bit Timer/Counters with Separate Prescaler, one Compare Mode; (7)One 16-bit Timer/Counter with Separate Prescaler, Compare Mode, and Capture Mode; (8)Real Time Counter with Separate Oscillator; (9)Three PWM Channels; (10)8-channel ADC in TQFP and QFN/MLF package; (11)Byte-oriented Two-wire Serial Interface; (12)Programmable Serial USART; (13)Master/Slave SPI Serial Interface; (14)Programmable Watchdog Timer with Separate On-chip Oscillator; (15)On-chip Analog Comparator; (16)Power-on Reset and Programmable Brown-out Detection; (17)Internal Calibrated RC Oscillator; (18)External and Internal Interrupt Sources; (19)Five Sleep Modes: Idle, ADC Noise Reduction, Power-save, Power-down, and Standby.
Diagrams

| Image | Part No | Mfg | Description | ![]() |
Pricing (USD) |
Quantity | ||||||||||||
|---|---|---|---|---|---|---|---|---|---|---|---|---|---|---|---|---|---|---|
![]() |
![]() ATMEGA8A-AU |
![]() Atmel |
![]() 8-bit Microcontrollers (MCU) AVR 8KB, 512B EE 16MHz 1KB SRAM |
![]() Data Sheet |
![]()
|
|
||||||||||||
![]() |
![]() ATMEGA8A-AUR |
![]() Atmel |
![]() 8-bit Microcontrollers (MCU) AVR 8KB FLSH 512B EE 1KB SRAM-16MHz |
![]() Data Sheet |
![]()
|
|
||||||||||||
(China (Mainland))










