Product Summary
The MQ-2 is a gas sensor. It is used in gas leakage detecting equipments in family and industry, are suitable for detecting of LPG, i-butane, propane, methane ,alcohol, Hydrogen, smoke.
Parametrics
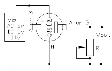
MQ-2 specifcations: (1)Vc Circuit voltage: 5V±0.1; (2)VH Heating voltage: 5V±0.1; (3)RL Load resistance: can adjust; (4)RH Heater resistance: 33Ω±5% Room Tem; (5)PH Heating consumption: less than 800mw.
Features
MQ-2 features: (1)Wide detecting scope; (2)Fast response and High sensitivity; (3)Stable and long life; (4)Simple drive circuit.
Diagrams

| Image | Part No | Mfg | Description | ![]() |
Pricing (USD) |
Quantity | ||||
|---|---|---|---|---|---|---|---|---|---|---|
![]() |
![]() MQ-214 |
![]() Other |
![]() |
![]() Data Sheet |
![]() Negotiable |
|
||||
| Image | Part No | Mfg | Description | ![]() |
Pricing (USD) |
Quantity | ||||
![]() |
![]() MQ-214 |
![]() Other |
![]() |
![]() Data Sheet |
![]() Negotiable |
|
||||
(China (Mainland))








